
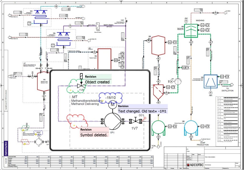
Auf der diesjährigen SPS IPC Drives liegt der Schwerpunkt von Aucotec auf einem neuen Gesamtkonzept für das Änderungsmanagement im Engineering. Die Lösung des Anbieters stützt sich auf die Datenbankbasierung der Plattform Engineering Base (EB), die als sogenannte Single Source of Truth Objektduplikate, Mehrfacheingaben sowie Übertragungsfehler abschafft und so eine außerordentliche Durchgängigkeit gewährleistet. Das neue Konzept reicht vom Daten-Tracking für den bestmöglichen tabellarischen Projektüberblick – auch bei Beteiligung mehrerer Sublieferanten – über automatisierte grafische Revision bis zur detaillierten Statusverfolgung nicht nur von Objekten, sondern auch einzelner Attribute.





















