Wirkungslinien
Schritte, Transitionen und Aktionen werden mit Wirkungslinien verbunden. Bei vertikalen Wirkungslinien ist zu beachten, dass die Wirkungsrichtung immer nach unten ist. Nur wenn ein Pfeil nach oben eingezeichnet ist, ist die Wirkungsrichtung nach oben (Beispiel Bild 6, Rückführungslinie auf der linken Seite).
Alternativverzweigungen
Nach einem Schritt kann die Wirkungslinie in mehreren Transitionen münden. Dies nennt man ‚Alternativverzweigung‘ (Bild 6). Beispielsweise könnte man hier einen Wahlschalter auswerten und je nach Stellung einen anderen Schritt aktivieren. Es muss darauf geachtet werden, dass die Transitionsbedingungen der einzelnen Zweige eindeutig sind.
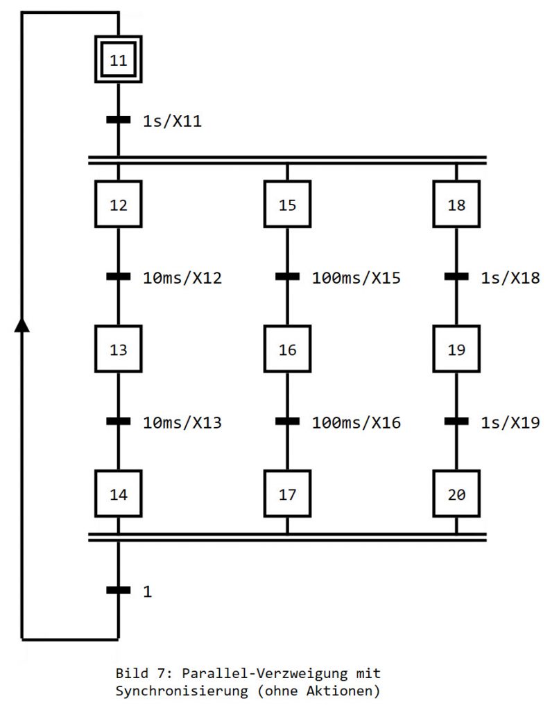
Parallelverzweigungen
Nach einer Transition können durch einen Parallelabzweig (horizontaler Doppelstrich) mehrere Schritte aktiviert werden. Die dadurch entstehenden parallel ablaufenden Schrittketten können unterschiedlich lange dauern und über eine Synchronisierung wieder zusammengeführt werden.




















