SPS-MAGAZIN 5 (Juni) 2023
-
Vom Smart Building in die Smart Factory
Über mehr als drei Jahrzehnte gewachsen, ist das Themenspektrum im SPS-MAGAZIN heute sehr umfangreich, thematisch angrenzend wurden neue Medien ins Leben gerufen. Dieses Mal schlagen wir die Brücke zum smarten,…
-
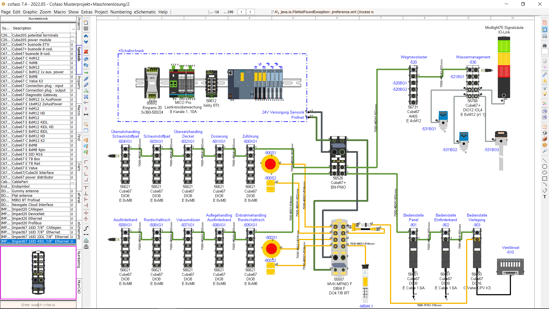
Software-Tool bringt Tempo ins Engineering
Cofaso MurrCAD ist ein Software-Tool, das zum Entwerfen von dezentralen Maschinenkonzepten verwendet wird, die auf I/O-Systemen von Murrelektronik basieren.
-
Einfache Robotik-Integration in Produktionsumfeld
Die Firma Drag and Bot ist Teil der Keba- Gruppe. Jetzt wird ein erstes gemeinsames Produkt namens Drag&Bot OS auf den Markt gebracht.
-
Sensoranbindung ohne Kabel
Um Industrie-4.0-Anwendungen in bestehenden Anlagen umzusetzen, ist bisher häufig eine zusätzliche Verkabelung notwendig.
-
Reihenklemmen für Querschnitte bis 10mm²
Conta-Clip erweitert sein Sortiment an Reihen- und Schutzleiterklemmen der Baureihen PRK und PSL.
-
Modulare PC-Serie mit vier Displaygrößen
Die K730-All-in-One-PC-Serie mit vier Displaygrößen in modularem Design ist bei ICP Deutschland erhältlich.
-
Panel-PCs für MES
Mit Manufacturing Execution Systems (MES) können Unternehmen Einsparpotenziale identifizieren und ihre Effizienz steigern.
-
MX-System integriert Pneumatik-Ventile
Grundprinzip des MX-Systems von Beckhoff ist das Ersetzen der Schaltschrankverdrahtung durch eine Backplane, über die sich eine große Auswahl elektronischer Baugruppen über standardisierte Schnittstellen automatisch miteinander verbinden lassen.
-
Aktives Energiemanagement
Die aktiven Energiemanagementgeräte der Pxt-Familie von Michael Koch bringen neue Features mit: Die Zulassung nach den Normen von UL und CSA sowie die Überwachung der Speicherkapazität im laufenden Betrieb.
das könnte sie auch interessieren
-
Dreiphasiges Monitoring elektrischer Lasten
Dreiphasiger Smart-Sensor-Strom mit IO-Link
-
Für Edge Computing
Lüfterloser Industrie-PC
-
Schnelle Reaktion auf Lastsprünge
2000W-DIN-Rail-Netzteil
-
















