Neuheiten Konstruktion
-
IT- und OT-Umgebungen überwachen
Die IT-Monitoring-Lösung Paessler PRTG kann durch die Unterstützung von OPC UA, MQTT und Modbus neben IT- auch OT-Umgebungen einbeziehen.
-
PredictiveMaintenance-Lösung
Predicto ist eine modulare Plattform, die es produzierenden Unternehmen ermöglichen soll, Predictive Maintenance schnell, einfach und skalierbar umzusetzen.
-
Echtzeitfeedback und Unterstützung durch virtuellen KI-Ingenieur
Mit seinen modularen und quelloffenen Softwarekomponenten ermöglicht Shopfloor.io nicht nur einen schnellen Einstieg in die digitale Herstellung, sondern auch die nahtlose Skalierung existierender Systeme.
-
Industrial Intelligence as a Service
Avevas Softwarelösungen decken ein breites Spektrum ab, u.a. Betriebs- und Energiemanagement.
-
IoT-Apps für die smarte Fabrik
Elements for IoT von Contact Software bietet durchgängige Anwendungen für das Asset Management, die smarte Fabrik und digitale Services.
-
Herstellerunabhängige Energiemanagement-Software
Auf der SPS zeigt Econ Solutions auf dem Gemeinschaftsstand Bayern Innovativ seine Energiemanagement-Software Econ4 mit vielfältigen Schnittstellen.
-
Smart Mounting mit neuen Dashboards
Die neue Version 2024 Smart Mounting von Eplan ist verfügbar.
-
Digitaler Service senkt Druckluftkosten
Sick präsentiert mit der Monitoring Box FTMg Premium einen neuen digitalen Service für das Druckluft-Monitoring.
-
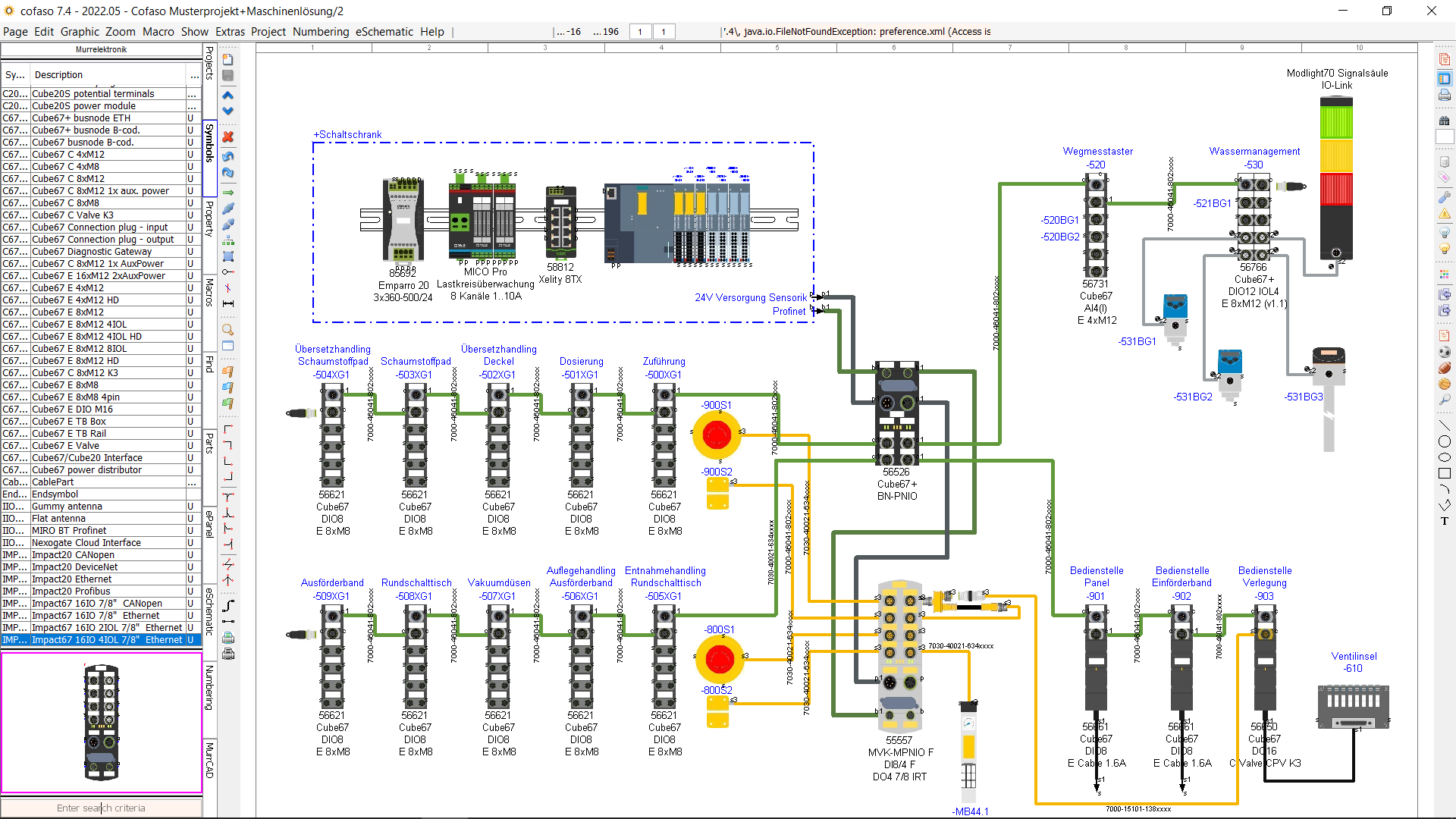
Richtigstellung
Im SPS-MAGAZIN ist ein Beitrag über das Software-Tool Cofaso MurrCAD erschienen, das zum Entwerfen von dezentralen Maschinenkonzepten verwendet wird, die auf I/O-Systemen von Murrelektronik basieren.
-
Business Intelligence
Mit der neuen Version von Octoplant erweitert Auvesy-MDT die Datenanalyse für automatisierte Produktionsanlagen. Individualisierbares Reporting erlaubt Verknüpfung von Automatisierungsdaten unterschiedlicher Produktionsebenen mit Drittanbieterdaten und verdeutlicht Auswirkungen von Asset-Veränderungen auf andere…
das könnte sie auch interessieren
-
Dreiphasiges Monitoring elektrischer Lasten
Dreiphasiger Smart-Sensor-Strom mit IO-Link
-
Für Edge Computing
Lüfterloser Industrie-PC
-
Schnelle Reaktion auf Lastsprünge
2000W-DIN-Rail-Netzteil
-

















