
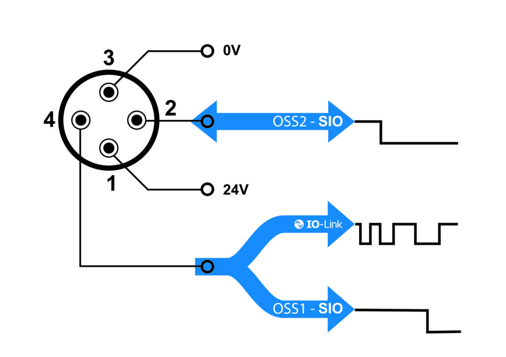
Induktive und fotoelektrische Smart-Sensoren stellen nicht nur einen präzisen Messwert sowie entstandene Prozessdaten digital bereit. Die über IO-Link parametrierten Sensoren führen zudem reine Schaltaufgaben auch ohne IO-Link-Verbindung im SIO-Modus und somit autark durch. Smarte Sensoren von Contrinex eignen sich für multifunktionale Präzisionsmessungen in allen Arten von Industrieumgebungen.
Detektion der Werkzeugposition auf engem Raum
Die induktiven Smart-Sensoren werden z.B. für die Überwachung der Spindelposition in CNC-Bearbeitungszentren genutzt. Moderne CNC-Bearbeitungszentren bewältigen unterschiedliche Material-, Werkstück- und Schnittgeschwindigkeiten, die unterschiedliche Werkzeugeigenschaften erfordern. Spindeln mit automatischem Werkzeugwechsel sind der Schlüssel zur Optimierung des Durchsatzes. Wenn ein neues Werkzeug nicht vollständig einrastet, kann das Werkzeug, das Werkstück oder die Spindel beschädigt werden.
Ein induktiver Smart-Sensor (DMSS), der in die Spindel eines CNC-Bearbeitungszentrums eingebaut ist, erfasst die Position der Spindelachse nach einem Werkzeugwechsel. Unvollständige Eingriffe werden über IO-Link an eine SPS gemeldet und lösen eine Unterbrechung aus. Der Sensor protokolliert darüber hinaus die kumulativen Nutzungsdaten der Spindel und meldet diese in festgelegten Intervallen über einen drahtlosen Hub an einen Prozessingenieur – dadurch ist eine Maschinenoptimierung in Echtzeit möglich.

in CNC-Bearbeitungszentren. – Bild: Contrinex Sensor GmbH
Vermessung der Kolbenverschiebung und -geschwindigkeit
Konstrukteure von Industrieanlagen suchen ständig nach Möglichkeiten, die Zykluszeiten zu verkürzen, ohne die Sicherheit oder Leistung zu beeinträchtigen. Dazu benötigen sie eine Überwachungsfunktion für Pneumatikzylinder, die Abweichungen vom Verzögerungsprofil erkennt, ohne die Komplexität oder die Kosten zu erhöhen. Robuste Smart-Sensoren, die in jeden Zylinder integriert werden können, messen die laterale Kolbenposition mit hoher Präzision und Auflösung. Darüber hinaus erkennen sie ungünstige Trends im Verzögerungsprofil und bieten eine kostengünstige, unauffällige Fit&Forget-Lösung.
Realisieren lässt sich dies mit Hilfe der im smarten Sensor integrierten Timer-Funktion, die für das Schaltsignal einen Stretch, Delay oder One-Shot ermöglicht. Bei letzterem erzeugt das Schaltsignal (Erkennen der Kolbenposition) einen Impuls von definierter Dauer. Der Trick: Ist die (Kolben-) Bewegung schneller als die eingestellte One-Shot-Impulsdauer, bleibt das One-Shot-Signal auf gleichem Level. Der One-Shot-Zyklus startet seine Zählschleife immer wieder neu und der Level (z.B. High) wird konstant gehalten. Erst wenn die Bewegung langsamer ist als die eingestellte Dauer des One-Shots, kann dieser seinen Zyklus beenden und den Pegel wieder zurücksetzen. Durch geschicktes Einstellen der Timer-Funktion als One-Shot kann somit eine zu langsame Bewegung oder gar eine Blockade oder ein Stillstand in der Mechanik erkannt werden. Das Besondere: Egal, ob eine Bewegung im bedämpften oder unbedämpften Zustand endet, der One-Shot wird in jedem Fall seinen Zyklus mit der entsprechenden High- oder Low-Flanke beenden. Somit können Prozessingenieure mit der One-Shot-Funktion des Sensor-Timers Abweichungen vom optimalen Verzögerungsprofil erkennen und so den Wartungsaufwand verringern.

Überhöhen und Durchsatzkontrolle in der Intralogistik
Fotoelektrische Smart-Sensoren von Contrinex sind unter anderem an Förderbändern im Einsatz, die versiegelte Kartons transportieren. Der direkt über dem Band installierte Sensor erkennt überhohe Kartons und meldet sie über IO-Link an einen zentralen Server. Dieser löst bei Bedarf einen Eingriff aus. Darüber hinaus zählt der Smart-Sensor den Durchsatz und meldet dem Server, wenn eine bestimmte Menge erreicht ist. Der Rechner sendet dann eine Alarmmeldung an das Lager, um die Ankunft eines FTS vorzubereiten.
Einfach installiert und programmiert
Für die Konfiguration seiner Smart-Sensoren bietet Contrinex ein Programmier-Tool auf Tablet- bzw. Mobile-Ebene an: den PocketCodr. Das Tool ermöglicht die schnelle Installation und codefreie Konfiguration jedes IO-Link-fähigen Sensors. Durch Tippen auf eines der Icons öffnet sich ein intuitiv bedienbares Menü, in dem mit wenigen Klicks z.B. der Erkennungssollwert eingelernt oder eine Alarmschwelle eingerichtet werden kann. Über den PocketCodr und seine multifunktionale Begleit-App kann der Anwender direkt mit den Sensoren interagieren und sich parametrische Änderungen in Live-Datendiagrammen anzeigen lassen.
Die konfigurierbare Mehrkanalüberwachung stellt routinemäßige Prozessdaten oder ereignisgesteuerte Zustandsänderungen auf einfache Weise dar – genau dann, wenn sie auftreten und genau so, wie sie auftreten. Routinen für das digitale Teachen von Sollwerten, das Setzen von Alarmschwellen oder das einfache Betrachten von Prozessdaten werden vereinfacht. Auch die Anzeige von Echtzeit-Zielentfernungen, Schaltzuständen oder zeitgesteuerten digitalen Ausgaben wird mit der Funktion Live Data Chart zu einer trivialen Aufgabe.
















