SPS-MAGAZIN SPS-Special 2016
-
Der handliche Start in eine neue Welt
Mit dem µMIC.200 hat MicroControl im vergangenen Jahr einen leistungsfähigen Automation Controller vorgestellt.
-
Software für Embedded-Geräte
GTI bietet eine standardisierte Software, mit der sich Embedded-Geräte für die Erfassung, Speicherung und Anzeige von beliebigen Daten verwenden lassen.
-
Neue industriegerechte Beleuchtungslösungen in LED-Technik
Auf der diesjährigen SPS/IPC/Drives präsentiert LED2work weiter verbesserte Produkte seines Sortiments: Seit kurzer Zeit wird das Sortiment der CNC-geeigneten Maschinenleuchten um ein weiteres Produkt ergänzt.
-
Ethercat-Messtechnikmodule mit bis zu 50.000Samples/s
Die neuen Ethercat-Messtechnikmodule sind direkt in das modulare Ethercat-Klemmensystem integrierbar und mit dem Portfolio von über 500 anderen Klemmen kombinierbar.
-
Bildschirmschreiber mit Manipulationserkennung
Der Bildschirmschreiber Logoscreen 600 ist nun auch mit FDA-konformer Datenaufzeichnung und Manipulationserkennung lieferbar.
-
Li-Fi-Technologie als Alternative zu WLAN im Industrieumfeld
Entwickler am Fraunhofer-Institut IPMS haben erste Prototypen für die Li-Fi-Kommunikation auf kurzen und mittleren Distanzen für unterschiedliche Anwendungsszenarien entwickelt.
-
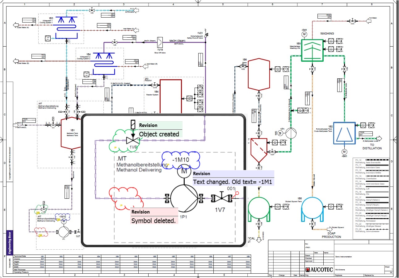
Änderungsmanagement im Engineering
Auf der diesjährigen SPS IPC Drives liegt der Schwerpunkt von Aucotec auf einem neuen Gesamtkonzept für das Änderungsmanagement im Engineering.
-
Panel PCs von ICP neu eingekleidet
Die aktuellen Panel PC und Monitore von ICP Deutschland werden funktionell neu eingekleidet.
-
Motion Controller mit Codesys-Unterstützung
Servotronix hat die Motion Controller softMC um die Unterstützung der Entwicklungsumgebung Codesys erweitert.
-
IBH Link UA mit Alarm und Events
Mit dem IBH Link UA ist es möglich auch ältere Simatic-Steuerungen von Siemens mit OPC UA-Fähigkeit zu versehen.
das könnte sie auch interessieren
-
-
Intelligentes Monitoring identifiziert Instabilitäten
Qualitätssicherung – im Stromnetz
-
Neue Sensorik-Gerätegeneration: Praxisbericht aus der Milchverarbeitung
Wie eine Molkerei Messaufgaben effizienter löst

















